红、绿、蓝(RGB)LED可用于建筑和舞台照明系统,用以形成明亮的投影色彩――有时会在RGB组合中添加白色LED,从色调、饱和度和亮度方面扩展色彩范围(图1)。无论色彩分量有多少,都必须精确控制每个色彩分量的亮度,以便对色彩进行预测或是补偿LED之间的色差。可用色彩的数量取决于每个组成色的可分辨亮度级的数量。一些系统提供分辨率低至全亮度1/256(8位)。也可能实现更高的分辨率,并产生更多的色彩(图2),形成更强的控制力。

图1.Cree XM-L RGBW高功率LED可由两个LT3964 LED驱动器驱动,每通道调光精度可达1:8192。
控制宽LED亮度范围最精确的方法是使用PWM调光控制。内置PWM调光时钟和数字寄存器(用于设置调光比)的LED驱动器是RGBW系统的最佳选择。对于大型复杂系统――由许多不同RGBW LED构成的系统――使用串行通信总线可在数字增强型LED驱动器中实现这些寄存器的动态设置。
图3所示为RGBW LED的两种驱动和调光方法。第一种是矩阵LED调光器方案,它曾经是高功率RGBW LED阵列的最佳数控方式。第二种是直接驱动方案,它采用四个分立的数字增强型LED驱动器,每种色彩(R、G、B和W)各一个,更精确、更高效、纹波更低。在这种系统中,每个单独的LED或LED串的电流或PWM调光波形均由其自己的LED驱动器和控制信号驱动,如图2所示。在矩阵调光器方案中,单个LED调光器可控制多达8个LED的PWM电流。该系统额外需要一条高压线和一个低输出电容降压LED驱动器,用于驱动LED串。高压轨可能需要一个额外的升压调节器,LED电流(来自低输出电容降压驱动器)可能有高纹波。

图2.I2C控制的LT3964 RGBW LED驱动器可为舞台或建筑照明装置中使用的高功率LED提供前所未有的色彩控制能力。驱动器解决方案通常提供8位色彩分辨率。基于LT3964的解决方案可实现13位色彩分辨率――使用本文中介绍的比较简单的降压驱动设置可以轻松实现。

图3.大型RGBW LED阵列的两种供电和色彩控制(分量调光)方法:(a)使用LT3965的矩阵调光器与(b)LT3964直驱解决方案。LT3964非矩阵解决方案具有更出色的色彩控制能力,卓越的效率和更低的纹波。
采用大量RGBW LED的照明系统需要大量的驱动器,并且控制信号要与这些驱动器同步。性能最好的方法是用高性能LED驱动器直接控制每个LED。在这种方法下,既能控制每个LED的PWM调光及直流电流和电压,还能将纹波降至最低水平,并大幅提高可预测能力。使用通过串行总线控制的双降压LED驱动器LT3964,可以轻松实现这类系统。
具有I2C调光控制能力的双降压LED驱动器
具有I2C控制和报告功能的LT3964双降压LED驱动器是一款理想的解决方案,可以通过串行通信技术驱动具有高电流和高带宽的多个LED或LED串。降压调节器具有固有的高带宽,LT3964在单个封装中有集成了两个36 V、2 MHz同步和高频降压LED驱动器,还集成了2 A开关,可以相对轻松地驱动多通道大电流LED。
I2C串行通信功能简化了每个LT3964支持的两个独立高电流LED通道的模拟和PWM调光功能,在单个I2C总线上有多达八个不同的LT3964地址。例如,图4中的2 MHz双通道1A降压LED驱动器示例电路具有高效率和超小尺寸等特点,可将其更改为通过34 V至36 V输入为每个通道提供高达30 V的LED电源(如数据手册中所示),效率高于90%。

图4.2 MHz双通道1A(或以上)降压LED驱动器演示电路DC2424A具有高效率和紧凑布局的特点。如数据表所示,可将其更改为通过34 V至36 V输入为每个通道提供高达30 V的LED电源――效率高于90%。
_ueditor_page_break_tag23_
13位RGBW色彩控制
两个LT3964驱动器足以用1 A(或以上)驱动单个或一串RGBW LED,如图5所示。虽然RGBW色彩通常以1:256、8位分辨率控制,但LT3964可以为每个通道提供高达1:8192、13位的PWM调光功能以及1:10的模拟调光功能——全部由I2C控制。

图5.可以用两个LT3964驱动器以1A以上的电流驱动单个或一串RGBW LED。每个RGBW分量色彩均受调光分辨率(通常为1/256或8位分辨率)的限制。基于LT3964的解决方案可提供更高的分辨率,可为每个通道实现高达1/8192或13位PWM调光功能以及1/10的模拟调光功能——全部由I2C控制。
这种直驱方法允许分量RGBW LED在亮度和电压方面存在较大差异——每个通道完全独立。在此示例中,单个Cree RGBW LED由四个LT3964通道驱动,每个通道输出1A电流。通过简单更改数字寄存器,亮度和色彩控制可扩展至1:8192 PWM调光,并且1/10模拟调光可支持每个红、绿、蓝、白LED。对色彩的唯一真正限制是LED本身。实际上,如果需要,如此强大的混色控制能力允许对LED进行色彩校正。
轻松同步大阵列和低纹波工作模式
集成的同步功率开关和2 MHz开关频率可实现超小尺寸的解决方案,每个LED通道都有一个小电感和一个瓷片输出电容。LT3964的CLKOUT和SYNC引脚允许两个IC同步,防止不必要的拍频,并通过串行通信保持PWM调光的统一时序。这样就不需要从外部时钟源为两个IC提供时钟,从而简化了解决方案。
图6展示了该4通道双IC解决方案的低纹波输出电流,与上面提到的更高纹波矩阵LED调光器解决方案形成对比。显然,非矩阵直驱LT3964解决方案的LED电流波形比矩阵调光器解决方案更清晰;矩阵调光器解决方案由于输出电容较小,所以其纹波含量较高。

图6.与更高纹波矩阵LED调光器解决方案相比,4通道双降压LED驱动器解决方案的纹波电流较低。LT3964的LED电流波形比调光器解决方案清晰。
灵活、直观的降压方案
LT3964非常灵活,可支持需要四个以上色彩分量的系统。RGB(W)LED的色域如图7所示。当需要更宽的色彩范围时,可以添加两个额外的LED元件,例如琥珀色、额外绿色甚至青色LED。要驱动其他分量色彩,只需将另一个LT3964连接到同一I2C总线即可。

图7.可见色域包括RGB色域中不存在的色彩。当需要扩展范围时,只需添加一个连接在同一I2C总线上的LT3964,即可添加两个额外的LED元件,例如琥珀色、额外绿色甚至青色LED。
并非所有RGBW混色LED系统都使用单片RGBW LED芯片。在部分系统中,将独立的红、绿、蓝LED串集成到更大、更亮的灯具当中。只要LED串电压低于输入电压,每个LT3964降压通道就可以驱动具有不同电压的LED串。单个LT3964通道可以1A或以上的电流驱动高达30 V的LED串。
I2C串行通信
使用LT3964 LED驱动器时,有两种模拟和PWM调光控制方案可选。一种方案是在不使用串行总线的情况下直接用外部电压驱动调光引脚。在非I2C模式下,对于LED模拟调光,CTRL1和CTRL2引脚由可调直流电压驱动;PWM1和PWM2引脚由脉冲信号驱动,占空比与LED的PWM调光亮度相对应。在此方法中,LED PWM频率与PWM引脚输入同步,LED亮度和LED电流占空比与PWM引脚输入脉冲相匹配。在较大的系统中,为大量通道生成PWM和模拟调光输入信号组合可能非常复杂。
第二种可能更有效的方法是使用串行通信总线(例如I2C)来控制每个LED通道或串。简单的2-线I2C总线用于通过单个主控器件(如小型微控制器)控制8个不同从属器件的功能。I2C总线主机运行速率高达400 kHz,只需生成三个字节即可对LT3964从属器件上9个寄存器中的每个寄存器进行更新。有四个PWM寄存器、两个模拟调光寄存器、一个用于设置故障的状态使能寄存器、一个用于读取故障的状态寄存器以及一个用于一些全局功能的配置寄存器。I2C写命令的三个字节包括地址、子地址和数据字。图8所示为LT3964串行通信中使用的不同I2C写字和读字。

图8.LT3964 I2C串行通信使用标准I2C写字和读字。
LT3964具有基于I2C的13位(1:8192)PWM调光功能。通过写入每个通道的两个PWM调光寄存器来设置PWM调光占空比和频率,如图9所示。图10所示为结果形成的ILED波形。通过一系列快速I2C写操作,可以轻松更新多达16个不同的通道(每个通道两个地址,总共八个)

图9.LT3964具有13位(1:8192)PWM调光功能和I2C。通过写入各通道的两个PWM调光寄存器设置PWM调光占空比和频率。此处,通道2设为1:8192调光,而通道1则设为128:256模拟调光
_ueditor_page_break_tag23_
图10.ILED波形,所示为1:8192调光。

图11.LT3964 DC2424A演示电路可通过QuikEval借助免费的图形用户界面进行控制。在每个页面上,可以设置寄存器元件,然后通过USB和Linduino DC2026C演示电路按下按钮即可发送I2C写命令或读命令。可以为任何地址设置IC地址位,该图形用户界面可以同时与多个LT3964 IC通信。

图12.I2C寄存器包括故障保护设置和读取。LT3964可以通过其ALERT引脚和I2C状态寄存器报告每个通道的故障。仅在状态寄存器单独使能且发生故障时才会报告故障。可以使能、报告和读取两个通道的开路LED、短路LED、过流和过压反馈故障。也可以禁用和忽略这些故障。
除PWM调光控制外,每个通道还有一个8位模拟调光寄存器,可通过单个写命令进行更新。调用模拟调光时,通常仅使用低至约1/10的调光。更常见的情况是,PWM调光专门用于RGBW混色——足以实现精确和可重复的色彩创建,无需添加模拟调光。然而,在需要扩展控制的系统中,可以使用盒子里的直流LED电流调节工具。
其他I2C寄存器包括故障保护设置和读取功能。LT3964可以通过其ALERT引脚和I2C状态寄存器报告每个通道的故障。仅在状态寄存器单独使能且发生故障时才会报告故障。可以使能、报告和读取两个通道的开路LED、短路LED、过流和过压反馈故障(图9)。也可以禁用和忽略这些故障。故障保护有可能是任何串行通信系统的关键部分。
2 MHz演示电路和QuikEval
通过I2C可以轻松生成原型并评估LT3964 LED系统。ADI公司已经创建了一个演示电路,其中包括用于测试串行通信的图形用户界面。当通过USB用Linduino?One演示电路(DC2026C)连接到PC时,该系统使用QuikEval?程序。演示电路手册中包括快速入门指南,其中描述了连接和评估LT3964演示电路DC2424A的方法。简而言之,当通过DC2026C (Linduino)连接到USB时,可以对LT3964演示电路串行通信进行评估,一次一个命令。
图9、11和12显示了LT3964演示电路易于使用的图形用户界面页面。在每页上,可以设置寄存器元件,然后通过I2C串行总线进行更新。可以更新每个通道的模拟和PWM调光寄存器,以及状态使能位、全局配置寄存器和状态使能位。对于通过总线发送的每个I2C命令,该界面显示了生成的地址、子地址和数据位。也可以通过图形用户界面的读取命令对寄存器进行读回操作。如果在测试期间发生故障,图形用户界面会在左上方显示警报信号(图13),并且可以采取步骤检查故障的性质并通过STATUS和STATUS ENABLE寄存器清除故障。

图13.使用图形用户界面和Linduino,通过I2C带状控制排线,可以连接两个现成的DC2424A演示电路,用于驱动RGBW LED或LED串。
在单个RGBW系统中,I2C总线上需要两个独立的IC地址(用于四个LED分量)。默认情况下,图形用户界面会将所有命令发送到默认地址“1100”,但可以更改该地址。该地址显示在每个页面的右上角,可以通过单击数字进行更改。由此,可以通过图形用户界面来控制和读取多达八个地址的调光和状态寄存器。此外,图形用户界面的数字字页面允许用户手动输入任意三个地址、子地址和数据字,并将它们作为I2C命令发送出去。用户可以查阅数据表或图形用户界面的其他页面,生成读和写命令,这些命令显示在屏幕底部的串行数据日志中。
从图13可以看出,使用图形用户界面和Linduino,可以通过I2C控制排线轻松地将两个现成的DC2424A演示电路连接起来。SDA和SCL 2-线I2C线路在总线上共享,警报信号与Linduino排线连接在一起。每个LT3964的ALERT引脚都是一个开路集电极下拉,因此当任何IC上发生故障时,主机都可以检测到。发生这种情况时,图形用户界面会在左上角显示一个红色ALERT标志圆圈。一旦主控微控制器检测到系统故障,就会根据警报响应协议检测和/或清除故障。
故障检测与协议
LT3964具有广泛的故障保护功能。它可以顺畅地处理LED串的开路和短路故障。它还可以处理输出的过流故障,这些故障不一定是短路。发生这些故障时,LT3964的ALERT故障标志会置位。在同一总线上共享时,若系统中任何LT3964出现故障,ALERT总线会被拉低(置位)。I2C通信首先可用于定位故障IC,然后诊断故障本身。可以在状态使能寄存器中设置可置位ALERT标志的故障类型。此处可以使能或禁用短路LED或LED过流等故障。
在ALERT置位之后,用广播读取命令轮询从属IC,找出置位警报的IC。在出现多个警报的情况下,较低地址的IC首先发送其地址。下一步是读取故障地址的STATUS寄存器。结果应该能提供足够的信息来诊断故障并清除故障标志。如果故障标志保持置位,则另一个广播读取命令可以检查后续故障地址。当完成对故障地址和状态寄存器的读取时,可以通过向故障地址发送写命令来清除故障状态位。如果故障未清除,则可以通过报告提出服务需求,或者关闭使能故障的状态位,忽略故障。

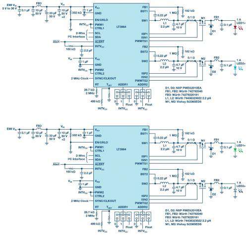
图14.使用LT3964双降压驱动器和I2C串行通信的完整高功率RGBW LED数控示意图。两个LT3964足以用1A电流驱动单个RGBW LED或RGBW LED串,实现精准调光,产生可预测且可重复的色彩分量。
结论
具有I2C串行通信功能的LT3964双降压LED驱动器可用于存在大量高功率LED和LED通道的计算机控制照明系统。两个LT3964足以用1A电流驱动单个RGBW LED或RGBW LED串,实现精准调光,产生可预测且可重复的色彩分量。
使用现成的DC2424A演示电路和免费的QuikEval PC软件,可以轻松进行评估。LT3964的共享I2C 2-线串行通信总线可用于控制多达8个地址和16个开关通道。其宽输入电压范围和紧凑但功能强大的集成式同步降压开关在每个通道上可支持高达30 V的LED。高达2 MHz的开关频率能够实现紧凑型设计和小型电感,这对于在具有众多LED和通道的大型系统中复制驱动器电路非常重要。
本文地址: https://www.xsyiq.com/15798.html
网站内容如侵犯了您的权益,请联系我们删除。